goods-
新闻资讯
当前位置是:首页 > 新闻资讯
加热器
加热器
加热器 一、技术参数  三相380V,    加热总功率60KW,   风机总功率:0.75KW;  采用7寸智能触摸屏双程序控制系统;  出口温度:常温-600℃可任意调节, PID/SSR  控温;  设备出风口直径:89mm 带法兰连接。【江苏扬天电热设备有限公司】——信息化 数字化 智能化——義飛扬天——防爆电加热器专业制造商——为新时代中国制造加油助力——全国尊贵热线:400-777-5525 二、 技术要求(1)电源参数:三相380V,50HZ,控制电压220V。(2)加热元件:为镍铬合金不锈钢电热器。(3)控制系统:采用双程序触摸屏控温系统,双程序就是可以选择定值控温模式或者程序控温模式。定值控温模式就是每次工作温度设定  时,只能设定一个温度值,然后设备开始加温到此温度设定值后,维  持在此温度设定值。程序控温模式就是可以通过设定温度以及相应的 工作时间来控制升温或者降温速度,可设定温度以及相应的时间,控 制升温、恒温、降温过程,且升温速度、降温速度可按要求设置自动 控制,可编写存储16组程序。带温度曲线图可实时查看温度值和升 温时间,带故障查询和显示功能。可控制和显示出风口及回风口温度, 出风口温度设定开始加热,当加热区域温度监测高于设定温度时,加热器暂缓加热低于设定温度时自动补温,始终恒定在设定温度值。带 计时器加热功能,可以设定加热时间到达时间后加热器停止工作,带RS485 通讯功能和故障信号输出功能。(4) 安全系统:出风口、回风口超温断加热器保护,电机过载停机保 护,加热器干烧停机保护,电源缺相断相停机保护,工作状态指示灯等安全装置,可24 小时不间断长期工作。(5)进出风口要求:耐高温风机带变频调节风量大小,进风口带不锈钢四通换气阀,可补充新风系统功能,出风口为3"外螺纹圆形出风口,配带耐高温不锈钢软管及快接头。
2026-04-08
管道加热器
管道加热器 一、系统功能  电加热器用于对工艺尾气加热。  491 HZ 01,491 HZ 02 为一用一备的一组功率可调的电加热器,位于低放蒸发系统工艺尾气处理环节,工艺尾气经过冷凝、冷却、旋风捕集液滴后以20℃进入电加热器,加热到 120℃后由出口出来进入高效过滤器组处理。 1.1安全功能  电加热器内气体为酸性含放射性气体,需密封良好。  电加热器或其控制系统需要考虑防雷接地、无风断电功能、超温断电保护功能。 二、设备组成与结构  设备包括电加热器、电控箱(控制柜)及其它必须配置的辅助设备,电加热器为管道式电加热器。  电加热器内部装有电加热元件,对过流的气体进行加热。为保证电加热元件不受腐蚀性气体影响,管道式电加热器采用间接加热方式对过流气体进行加热,电加热元件不直接与过流气体相接触,电加热元件与过流气体之间增加套筒或者其他隔离部件。加热元件组与供电系统连接为可快速插拔的连接件。  如果电加热器的加热元件失效,则需要对加热芯进行更换,管道式电加热器采用人员近距离直接更换方式。  电加热器491 HZ 01、491 HZ 02 共用一台电控箱(控制柜),电控箱(控制柜)布置于检修廊(TB1160A)。电控箱(控制柜)内有接线电缆及汇流排,控制器,接地螺栓,电源盒,电源接触器、断路器等。电加热器就地电控箱(控制柜)由供货商统一配供。电加热器的设备支架由供货商配套供货。  注:  1.  以上所列并非全部,供货商应备齐附件及专用工具等(每处垫片应至少提供三片,一片用于试压,一片正常使用)。  2.  电控箱(控制柜)和相关控制设备要求供货商在完成设计后将资料提交至设计单位进行确认。 【江苏扬天电热设备有限公司】——信息化 数字化 智能化——義飛扬天——防爆电加热器专业制造商——为新时代中国制造加油助力——全国尊贵热线:400-777-5525 三、环境条件  安装后、运行前设备房间的环境条件:  温度:0~50℃  最大相对湿度:100%  运行时设备房间的环境条件:  正常运行温度:5~60℃  外部压力:839.3 hPa~875.2 hPa(绝对压力)  最大相对湿度:100%  剂量率限值:≤25 μSv/h 四、控制要求  电加热器的加热功率均可变频调节,电加热器接收来自控制室的温度设定值和管道出口介质温度值,其加热功率与电加热器出口温度设定信号自动匹配,完成出口温度自动调节,维持电加热器出口温度在设定范围内 ( ±2℃)(电加热器自动控制模式)。电加热器也可接收主控室的功率设定信号(电加热器手动控制模式),完成出口温度的在主控室的手动调节。电加热器的启停和功率调节可以在就地电控箱(控制柜)/中央控制室两地进行,同时需要在就地电控箱(控制柜)和中央控制室内显示电加热器启/停状态、故障、输出功率、加热器管壁温度等信号。  互为备用的电加热器,除电压失效等异常工况,正常运行中,两台电加热器有一台在运行状态,备用电加热器处于停用状态。当电加热器发生超温、漏电等故障或低流量联锁保护停时应可发出报警信号,在发出报警信号同时应具有自动断电保护功能,电加热器控制系统不仅需要提供单个故障信号给主控制室,还需要设置一个综合报警故障信号用于主控室完成切换备用加热通道操作。  电加热器在就地电控箱(控制柜)上设置“就地/主控室 ”开关。电加热器的就地控制在就地电控箱(控制柜)内实现,由供货商负责设计。当就地控制柜中的选择开关处于“主控室 ”位置时,就地不可控,电加热器的启停、功率调节、手动/自动模式切换等操作在主控完成;当就地电控箱(控制柜)中的选择开关处于“就地 ”位置时,主控不可控,电加热器的启停、功率调节等操作在就地电控箱(控制柜)中完成。无论就地还是主控模式,就地和主控均显示电加热器的状态。
2026-04-06
烘箱
烘箱1.技术要求:   电源电压:AC380V 50Hz   温控范围:RT+10~200℃   温度波动度:±1℃   极限真空度:133Pa   工作环境温度:5~40℃   真空表:进口真空表/机械指针式   内胆尺寸:630*810*845(W*D*H)(mm),尺寸不低于该尺寸,可以大于该尺寸。   外形尺寸:1000*1040*1855(W*D*H)(mm),尺寸不低于该尺寸,可以大于该尺寸,但高度不得高于2000mm。   搁板:5块,材料为不锈钢304   工作室材料:不锈钢304。2.质量要求  2.1供应商提供的所有烘箱相关设备、配套设施是全新非样品产品,保证设备未经使用。  2.2供应商提供的所有设备、配套设施没有安全隐患并符合国家相关标准要求,设备符合规定的技术性能指标。【江苏扬天电热设备有限公司】——信息化 数字化 智能化——義飛扬天——防爆电加热器专业制造商——为新时代中国制造加油助力——全国尊贵热线:400-777-5525 3.供应商要求  3.1从事干燥箱等相关行业3年以上,提供相关证明文件。  3.2供应商必须上传营业执照复印件;报价人如为代理商,可提供制造商出具的授权证明。  3.3明确付款方式及付款比例。一般情况下为合同签订后付30%,验收合格后付60%,质保期满后付10%,特殊情况双方商定。  3.4明确交货时间,将设备交付到采购方指定地点。  3.5设备报价单必须明确是否含税,加盖电子签章且有具体明细。  3.6明确价格有效期。  3.7提供近三年的业绩(类似业绩的合同复印件加盖报价人公司章)及提供近三年的业绩财务报表(资产负债表、利润表和现金流量表)。  3.8提供售后服务情况,包括售后响应时间。  3.9提供基本账户开具的银行有效资信证明材料。  3.10提供质量管理体系认证证书,质保措施和培训计划。  3.11定制类非标设备应提供加盖用户公章的用户反馈证明,复印件需加盖报价人单位公章。
2026-04-03
高温烘箱
高温烘箱一、技术参数 1.温度参数:  常用工作温度:室温~420℃  最高温度: 500℃            均匀性能:均匀度的偏差为100度以内±5度。  测试时间:到达设定温度(恒温状态)100度20分钟左右。 2.结构与材料:  尺    寸:1500*1200*1300  结    构:左右穿孔板,风道循环作用明显。             烘箱外壳材料:1.5毫米厚度的冷板           内胆材料:1.5毫米厚度的304不锈钢  隔板层数;30CM以上用角铁隔档分3层,每层一块层板,层板可承载500公斤物料。  增强材料:5#角钢和1.0毫米厚度槽型冷压钢板和8号槽钢加强,使烘箱坚固耐用。  烘箱涂装材料;喷漆颜色可选。  保温材料:厚度150毫米硅酸铝棉,保温性能良好。 3.门结构:  形式:单开门  厚度:150毫米硅酸铝棉  门扣:摇杆 4.循环系统:  热风循环:循环采用水平送风。  鼓风电机:电动机带风叶一套,电动机放在烘箱的顶部。  电机功率:  1100W   2台浙江腾龙电机或其他国内知名品牌 。     进气/排气:  进气系统:数量1个,口径100毫米。  排气系统:数量1个,口径100毫米。可安装接口到车间外面(具体位置需实际评估)。 【江苏扬天电热设备有限公司】——信息化 数字化 智能化——義飛扬天——防爆电加热器专业制造商——为新时代中国制造加油助力——全国尊贵热线:400-777-5525 5.加热系统:  烘箱加热元件:不锈钢加热管带散热片,分布在烘箱风道。  升温时间:空载常温升至100℃,约20min. 6.电器系统  温控装置:温度控制系统采用先进的高精度的PID数显智能仪表(日本富士)。SSR模块控制电流输出,超温保护仪(正泰),过电流保护。风机过载保护。  测温装置:K型铂电阻型传感器。  定时装置:  0~99小时时间设定带报警,数显计时器。  报警装置:PPT/AD16型声光报警,恒温时间结束报警提示,可开关(上海二工或其他国内知名品牌)。  电流电压:380V  电器元件:正泰品牌。二、售后服务 1、质保期自甲方正式验收合格之日起,质保期至少1年,乙方在得到甲方设备故障信息后,4小时内予以响应,电话相应无法解决的,供应商应24小时内到达买方现场。 2、设备在保修期内因设备本身原因出现故障、损坏等问题,乙方负责免费处理。如更换零件,自零件更换之日起再对该零件提供保修期至少半年(投标人需自报)(易损件除外)。
2026-04-01
管道电加热器
管道电加热器1、电加热器的主要技术参数   序号 项    目                               技术参数及要求 备注    1 电加热器型号                 DRF/15-440     2 功率(kW)                        15     3 电源                                3PH/440V/50Hz     4 工作压力(MPa)                        1.6     5 加热介质                                       重油     6 油温(℃)                  入口  65~75     7          油温(℃)                                 出口  105~115 2、结构要求    1)卧式安装,带底脚,底脚尺寸按附图要求制作。   2)带加热筒体。   3)加热器燃油进/出接口为法兰连接,法兰标准为CB/T 46-2007 DN25 PN16。   4)加热器出厂前在加热管束内部配套电接点温度计1个,设定温度220℃。   5)加热器使用的非金属材料不得使用石棉制品。【江苏扬天电热设备有限公司】——信息化 数字化 智能化——義飛扬天——防爆电加热器专业制造商——为新时代中国制造加油助力——全国尊贵热线:400-777-5525 3、技术要求   1)设备及附件应满足CCS《钢质海船建造规范》(2018)及相关修改通报的相关要求。   2)上述各项采用GB 4208-2008《外壳防护等级》、GB/T 6388-1986《运输包装收发货标志》、CB/T 3856-1999《船用电加热器具通用技术》标准进行生产。   3)电器设备防护等级为IP44,电器应能承受频率50Hz,试验电压1000V+2倍额定电压且不低于2000V的交流电试验1分钟,无击穿和闪络现象。   4)设备进线连接处配套提供金属电缆填料函。   5)所有连接电缆均为无卤、低烟、阻燃型船用电缆。   6)设备冷态绝缘电阻不小于50MΩ,热态绝缘电阻不小于2 MΩ,并在断电1分钟内测试完毕。   7)电加热管三相线任意两线间的直流电阻应为20Ω左右。   8)外包铁皮包扎严实,无鼓起、凹陷及开裂现象;保温层接缝处无明显缝隙;保温层外观平整,无保温棉裸露现象。   9)加热器的外形及安装尺寸按附图图纸尺寸加工制作。4、售后服务  电加热器质保期为船厂交船后12个月,如出现质量问题,乙方接到甲方通知后即时到指定地点免费维修。5、其它约定   在本协议签字后,若一方提出需要补充或更改内容时,应经双方协商,形成书面确认意见。本协议文本及其补充件,甲乙双方各一份,经双方代表签字后,与商务合同具有同等法律效力。
2026-03-30
鼓风干燥箱
鼓风干燥箱  采用先进的激光、数控加工设备生产的产品;供工矿企业、化验室、科研单位等作干燥、烘焙熔蜡、灭菌用。一、产品特点:  ● 干燥箱体内均采用镜面不锈钢氩弧焊制作而成,箱体外采用优质钢板,造型美观、新颖。  ● 采用具有超温偏差保护、数字显示的微电脑P.I.D温度控制器,带有定时功能,控温精确可靠。  ● 热风循环系统由能在高温下连续运转的风机和合适风道组成,提高工作室内温度均匀度。  ● 采用新型的合成硅密封条,能长期高温运行,使用寿命长,便于更换。  ● 可以从控温面板上调节箱内进风和排气量大小。【江苏扬天电热设备有限公司】——信息化 数字化 智能化——義飛扬天——防爆电加热器专业制造商——为新时代中国制造加油助力——全国尊贵热线:400-777-5525 二、技术参数:9000系列  型号:DHG-9140(A)   电源电压:AC220V 50HZ  控温范围:RT+10~200℃/RT+10~250℃  恒温波动度:±1.0℃  温度分辨率:0.1℃  温度均匀度:±3%(测试点为100℃)  工作环境温度:+5~40℃  输入功率:2050W  容积:136L  内胆尺寸(mm):550×450×550  外形尺寸(mm):840×580×730  载物托架(标配):2块  定时范围:0~9999min  ※性能参数测试在空载条件下为:环境温度20℃,环境湿度50%RH  注:带"A"为镜面不锈钢内胆,不带"A"为镀锌板内胆。
2026-03-28
氮气加热器
氮气加热器1.数量:1套2.安装地点:陕西省宝鸡市凤县165所凤州试验区。3.设计参数:  加热气体种类:氮气;  设计压力:6.4Mpa;  气体送气(出口)压力:0.6~3MPa(表压);  气体流量:720 Nm3/h;  气体出口温度:常温~200℃(保证前端产品用气点位温度~120℃可调);  连续工作时间:>6h;  工作功率:30KW(参考);  供电电压:380V/50Hz。4.技术要求 4.1 整套装置采用集成化一体可移动式,尺寸(含撬装小推车)<800×600×1200mm(长×宽×高),结构布局合理、紧凑,便于安装、维修;配套小车撬装,轮子带锁紧固定装置。 4.2 设备所有工艺接口采用法兰或球形接头连接件连接形式,法兰尺寸按Q/Zs2076-2077-2000《钢制管法兰》对焊松套法兰(PN6.4MPa)标准设计,工艺设备上的接管及法兰材料均采用06Cr19Ni10,设备端口法兰为凹槽;法兰接口提供配对法兰、肩圈、垫片(材料:铝,2套,1套备用)及螺栓螺母紧固件;球头连接件应符合院标《37°球面型管路连接件》(Y5781~Y57818-89)要求。 4.3 加热器出口设置过滤器,精度≯5μm,严格气体出口多余物控制。 4.4 加热器带控制柜、测温元件等,具备集成化温度调节、监控工作系统,温度等关键参数具备远传至试车台测控采集系统的功能。 4.5 加热器工作噪声<90分贝。 4.6控制面板上的阀门、压力表等控制元件应有明确标识,并附有系统原理图。 4.7 氮气加热器工作过程应无油、无污染,可以连续起动、停止,不受限制,不影响正常工作。 4.8 氮气加热器内各连接管(如测压管、进出气排放管等)均应采用不锈钢管道。 4.9系统方案、原理图、设计图等需经过需求方确认后进行设计加工。【江苏扬天电热设备有限公司】——信息化 数字化 智能化——義飛扬天——防爆电加热器专业制造商——为新时代中国制造加油助力——全国尊贵热线:400-777-5525 5其它要求 5.1配套的控制柜须保护各接口和箱体,防止运输等作业损坏。 5.2在加热器和控制柜的明显位置装上产品铭牌,铭牌的尺寸及技术要求应符合GB/T 13306的规定。标牌上应注明:    a. 产品型号与名称;    b. 产品主要技术参数;    c. 产品制造厂家名称;   d. 产品出厂编号;   e. 产品出厂日期。6 供货范围 6.1 氮气加热器1套,成套供货,包括加热器主体、控制柜、测温元件(带校验证书)、温控仪表、小车撬装等,提供设备接口的配套法兰、接头、紧固件等;提供设备进出口管路保温包覆材料(按DN20、80m管路包覆计算)。 6.2设计图纸、机械系统和配电系统原理图各一套,产品使用说明书、性能测试结果报告、有关检验质量证明资料各一套。7 货物的质量保证期 7.1设备安装完成、验收合格后起算质保期。质保期为一年,保证期内设备损坏修复后,被修复部分的质保期自修复之年内重复出现保修期间曾出现过的由于产品本身原因产生的故障仍属保质范围,对更换或维修过的零部件从更换或维修完成之日起,保证期顺延。 7.2如设备发生故障,应在接到通知后24小时予以响应,72小时内到达现场,一周内排除故障。质保期结束后,卖方仍应以最优惠费率继续提供及时的有偿服务和必要的技术支持。
2026-03-26
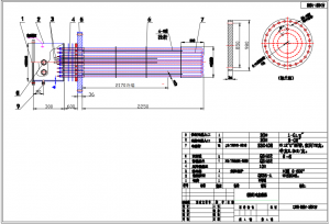
管道加热器
管道加热器   本技术协议规定了1套300KW电加热电加热器的材料、供货范围、制造、检验和试验及安装、调试及售后服务等。本技术协议提出的是最低限度的技术要求,供方应保证提供符合本技术协议和相关国际国内标准的优质产品及其相应的服务。供方应根据相关标准、规范及双方同意的设计和操作条件进行合适的选材、制造,提供能符合规定要求的设备,并对设备的质量和性能负责。供方须执行本技术协议所列标准。有不一致时,须按较高标准执行。在合同签定后,需方有权因规范、标准、规程发生变化而提出一些补充要求,具体内容双方共同商定。应按需方的要求提供图纸和资料,根据项目的进度,分期分批提交设备和资料,并对其内容负责。供方如对本技术要求各条款在技术上有不同的见解,以及产品参数与订货要求有偏差时,则应及时提出以供需方确认。如供方没有提交此类偏差文件,则供方所提供的产品将被认为完全符合本技术协议所列相关条款。1.应用的设计规范与标准 1.1 设备 TSG 21-2016                 《固定式压力容器安全技术监察规程》 GB/T 150                       《压力容器》 GB/T 151                       《热交换器》 NB/T 47015                   《压力容器焊接规程》 NB/T 47014                   《承压设备焊接工艺评定》 NB/T 47016                   《承压设备产品焊接试件的力学性能检验》 NB/T 47013.1-13           《承压设备无损检测》 NB/T 47008                   《承压设备用碳素钢和合金钢锻件》 NB/T 47010                   《承压设备用不锈钢和耐热钢锻件》 NB/T 10558                   《压力容器涂敷与运输包装》 HG/T 20660-2000         《压力容器中化学介质毒性危害和爆炸危险程度分类》 HG/T 20580                   《钢制化工容器设计基础规定》 HG/T 20582                   《钢制化工容器强度计算规定》 HG/T 20583                   《钢制化工容器结构设计规定》 HG/T 20584                   《钢制化工容器制造技术要求》 SH/T 3075                     《石油化工钢制压力容器材料选用标准》 GB/T 42594                   《承压设备介质危害分类导则》  1.2 电气及仪表 JB/T 2379                    《金属管状电热元件》 ASTM D 3215              《工业电加热管用高温氧化镁粉》ASTMB 344-20            《工业用电热管镍铬电热丝标准》 IPC-1331                     《电加热过程设备的安全标准》 UL 1030                       《工业用电加热器标准》 BS 7351                       《工业用金属电热管标准》 GB/T 4208                   《外壳防护等级(IP 代码)》 GB/T 14048.1-23         《低压开关设备和控制设备》合集 GB 50058                    《爆炸危险环境电力装置设计规范》 GB 3836.1                   《爆炸性环境 第 1 部分:设备 通用要求》 GB 3836.2                   《爆炸性环境 第 2 部分:由隔爆外壳“d”保护的设备》 GB 3836.3                   《爆炸性环境 第 3 部分:由增安型“e”保护的设备》 SH/T 3019                  《石油化工仪表管道线路设计规范》 GB 50093                   《 自动化仪表工程施工及质量验收规范》 【江苏扬天电热设备有限公司】——信息化 数字化 智能化——義飛扬天——防爆电加热器专业制造商——为新时代中国制造加油助力——全国尊贵热线:400-777-5525  1.3 管道与阀门  法兰: SH/T 3406                《石油化工钢制管法兰技术规范》SH/T 3426                《石油化工钢制夹套管法兰》法兰密封面形式:<CL600 RF ≥CL600 RJ RF: 0Cr18Ni9+石墨 不锈钢金属缠绕垫(内外环) 注:法兰的密封面应与其连接的阀门或设备管嘴的密封面相匹配;法兰的接口外径与壁 厚应与其对接的管道的外径与壁厚相一致。2.技术要求   电加热元件为管状“U”型,其外壳为优质S32168不锈钢,绝缘材料需采用优质高温结晶氧化镁粉,在高温下保持良好的绝缘性能和介电强度。单支电加热管冷态绝缘电阻:≥500MΩ,耐压:在AC2000V/min 电压下无击穿闪络现象。   电热管的引出棒和电阻丝的连接采用柔性连接和氩弧焊接,电热管采用套管焊并严格按照工艺要求进行,确保二者之间的焊接牢固、可靠。  加热器接线盒内需设有与买方动力电缆连接用的接线端子和接线铜排,便于进线电缆的可靠连接,接线盒内电热管引出棒至接线端子或接线铜排的电缆均需采用耐高温电缆。  电加热芯法兰至电加热器电源接线盒处设有散热区,在法兰盖端头设置绝热层,使辐射热传递至最低,保证接线盒内部的温度不超过50℃(环境温度≤25℃),避免接线盒内部接线电缆由于高温而易于老化的现象。  接线盒内外均设有接线端子。  接线盒进线方式为钢管M螺纹接线方式,接线盒带钢管螺纹密封接头。  接线盒材质为碳钢。(1)成品电热管外径φ12mm。(2)电热管外壳采用无缝钢管,材质为SUS32168。(3)“U”型弯头部分采用液压除应力处理,再进行浸水试验或着色检验。(4)电热丝采用高温合金Ni80Cr20。(5)绝缘材料采用氧化镁粉,具有良好的绝缘性能和介电强度。(6)电热管的封口采用环氧胶密封,避免电热管长期工作绝缘下降、泄漏电流增大的不安全问题。(7)电热管单支冷态绝缘电阻:≥200MΩ,耐压:在AC2000V/1min 电压下无击穿或闪络现象。 (8)发热效率:98%以上。(9)水箱温设定90℃,设计温度<100℃。(10)电加热器机组总功率300kW/380V;功率偏差:-8~+4%;温控系统的控温精度:±1℃。(11)电热管设置超温保护、接地保护功能。2.1电加热器  加热器电压:380V,50Hz,3相4线制(三角型连接),加热器各相位间负载均衡配置。  加热管用稳妥的方法由不锈钢材质的支撑圈固定,支撑圈与管板间通过支撑筋固定。电加热管通过套管焊接在管板,并进入接线腔进行电气连接。  每套加热系统出口测温元件:K型热电偶。  每台加热器内部测温元件:K型热电偶。  加热器做水压试验,试验压力1.6MPa。2.2加热管的制造  300KW电加热器的加热管外壳材质为S32168,加热管外形为“U”形。具有良好的耐高温耐腐蚀性能,截面均匀,表面平整光滑、无裂纹。  加热管的绝缘材料氧化镁粉。电阻丝采用优质的Cr20Ni80合金电阻丝,高温退火工艺制作,电热管的封口材料采用耐高温二次固化绝缘密封(环氧树脂材料),彻底避免电热管长期工作绝缘下降、泄露电流增大的不安全问题。  电加热管焊接前需浸水时效处理(48小时),绝缘(10MΩ成品)及高压(2000v)合格,防止缩管过程中产生裂纹。电加热管冷态绝缘电阻:≥500MΩ,耐压:在AC2000V/min电压下无击穿闪络现象。电加热器冷态绝缘电阻:≥50MΩ,耐压:在AC2000V/min电压下无击穿闪络现象。符合国标GB3836.1~3-2010及B/T2379-93标准。加热管成品后经高温烧结处理。  电热管必须承受下列试验:(a)以1.1倍额定电压,额定频率通电1分钟、断电4分钟为一周期,重复试验,承受1分钟下列交流电压的介电强度试验:2E+1000(2×电加热器的额定电压+1000V)最低1760V,按2000V进行高压测试。(b)以1.1倍额定电压、额定电流通电5分钟,断电状态,全部浸入水中25分钟为一周期重复试验50周期后,在大气中放置40分钟,再承受1分钟,所示交流电压的介电强度试验。(c)在+40±5℃相对湿度为90±5%的温热箱中放置24小时后,立即擦去表面潮气,用500伏兆欧表测量带电部分与非带电部分之间的电阻值,须不小于10兆欧。(d)在额定工作电压下,元件的额定功率允许偏差±5%。(e)在冷态(室温)时,元件的绝缘电阻不得低于500MΩ。(f)元件允许在电压大于额定值而不大于额定值的1.1倍条件下工作。(g)元件的其它方面应符合《JB/T2379-2016》,管状电加热元件技术条件的规定。(h)电加热器内部电热元件要求100%做试验。电加热管的引出棒和电阻丝的连接采用柔性连接和氩弧焊接。2.3电加热器接线腔  材料:S32168  严格按照GB3836规定的各项指标要求进行设计,产品能在Ⅱ区爆炸性气体危险场所正常工作,满足防火防爆要求。  接线腔内设有与用户动力电缆连接用接线铜片,便于进线电缆的可靠压接。接线腔内外皆设有接地端子,并带有接地标志。  接线腔外表面应进行防锈处理,然后按项目技术要求喷涂油漆。  接线腔配有铠装电缆密封件(喇叭口)。电缆接口尺寸根据采购方提供的电缆的型号、规格确定。2.4测温系统  出口测温温度控制  出口测温元件:K型热电偶;  出口测温信号由出口处K型热电偶信号输送到温度控制器,经P.I.D运算,输出一个控制信号给控制柜控制温度加热工作,实现加热器启停自动调节功能。在介质流量稳定的情况下,加热器出口温度精度可以达到±1℃。  内部超温温度控制  内部测温元件:K型热电偶;  每个加热芯配备K型热电偶,加热管表面温度信号引到控制柜,温度超温时对外报警及切断加热器加热。2.5控制柜功能  具有电压、电流显示、短路、过流等故障保护,具有出口温度、电热管温度联锁,预留SIS联锁停加热器系统接点(硬线连接锁停时停泵及电加热)。控制柜具有:出口介质温度信号、加热器运行状态、超温状态,加热器启动、停止。2.6主要信号往来(1)电加热器出口介质温度信号(K型热电偶)送控制柜;(2)电加热器内部温度信号(K型热电偶)送控制柜;(3)出口温度信号送温控器;(4)加热器超温状态(干接点)送控制系统;(5)启动、停止信号(干接点)送控制系统;
2026-03-24
氟树脂粒料加热系统
氟树脂粒料加热系统1. 总则1.1 本技术规范书适用于氟聚厂本次采购的氟树脂粒料加热系统它包括本体及辅助设备的功能设计、结构、性能、制造、供货、调试、试运行等方面的技术要求。1.2 本技术规范书提出的是最低限度的要求,并未对一切技术细节作出规定,也未充分引述有关标准和规范的条文。投标人应保证提供符合国家标准和本规范要求的优质产品及其相应的服务。对国家有关安全、环保等强制性标准,均要满足其要求。1.3在设备正式投运之前,如有关国家标准和法规有所变动,投标人应及时更新设计或设备,保证满足相关国家标准和法规,由此产生的一切费用由投标人负责。1.4本技术规范书所使用的标准和技术要求,如遇与投标人所执行的标准不一致时,按较高标准执行。如未对本技术标书中提出的标准提出偏差,将认为投标人提供的设备符合规范和标准的要求,偏差(无论多少)都必须清楚地表示在投标文件的差异表中。1.5 投标人提供的氟树脂干燥加热系统及附属设备产品,应该是技术先进、具有制造经验的成熟产品,而不是试制品。1.6 投标人须在技术标中明确投标人对支付条款和交货期的承诺。1.7 加*条款为招标文件的主要技术条款,对主要条款(含条款所有子项)的任何负偏离将导致技术废标。其他未加*条款累计超过3条及以上按照技术废标处理。2. 基础条件技术参数及要求2.1 公共工程条件:低压电:380V AC    50Hz    三相2.2 安装位置:室外2.3 仪表气源压力:0.4MPa2.4压缩空气:工作压力0.45MPa(表压),最高工作压力:0.65MPa,可用于除尘器反吹。2.5 加热系统热源:中压蒸汽,压力:1.3MPa ,温度:250℃。 2.6 物料信息    物料名称: 氟树脂颗粒(颗粒直径:2-3mm长度:2-3mm);相对密度:2.13;堆积密度:1.20g/cm3;熔点: 240-270℃;比热容:1080J/(kg.K);导热系数:0.22W/(m.K);物料初始温度:常温。【江苏扬天电热设备有限公司】——信息化 数字化 智能化——義飛扬天——防爆电加热器专业制造商——为新时代中国制造加油助力——全国尊贵热线:400-777-5525 3、系统设备技术要求3.1 氟树脂粒料热风系统流程图3.2  氟树脂粒料加热系统设备布置图3.3 氟树脂粒料加热系统工艺描述:氟树脂粒料堆积在加热塔内,外部风经粗效、中效过滤器,进入送风机,加压后,经余热回收换热器,空气加热器,高温高效过滤器后,由加热塔底部进入塔内,由塔顶排出,排风送入到余热回收换热器,经余热回收后,送至28m高空排放。3.4 系统关键技术参数要求:       指标名称                                                      技术要求                                                                       备注     物料处理量                                                      600kg/h      物料在塔内停留时间                                         3h      物料初始温度                                                        20℃      加热后物料温度                                                        ≥180℃      加热塔进风温度                                                        ≥200℃      加热塔进风风量                                    由供方计算后确定。(风机选型时要保留10%余量)      加热塔风阻                                 塔内件阻力按2000Pa,料层阻力需要供方计算。                            料层为圆柱形,直径1.3米,高度2.5米。     加热塔进、出风口法兰规格                        PN16、DN250,HG/T 20592(RF) 3.5 空气过滤要求:输送用风采用室外自然取风(装置北侧),空气进入风机前必须有初效、中效空气过滤器。压缩机(风机)出风必须经过高效过滤器后才能与物料接触。初效过滤等级不低于G4、中效过滤等级不低于F6,高效过滤等级不低于H13。过滤器品牌:苏净华泰空气过滤有限公司、投标文件中需体现初效、中效、高效的安装结构图纸。3.6 设备管道材质要求:初效空气过滤器:壳体与滤材框架S30408;滤材:无纺布。设备支架:S30408。中效空气过滤器:壳体与滤材框架S30408;滤材:玻璃纤维滤纸。设备支架:S30408。高效空气过滤器:壳体与滤材框架S31603;滤材:玻璃纤维滤纸。设备支架:S30408。鼓风机:过流材质S30408。设备支架:S30408。热回收换热器:管壳式换热器,回风走管程,新风走壳程,管程、管板及封头材质316L,壳程材质304,换热器面积投标人根据招标人所提参数进行设计计算,并在投标文件中体现。空气加热器:壳程和管程都为S31603。管道1(从初效过滤器至高效过滤器):S30408。管道2(从高效过滤器→加热塔→热回收换热器→放空):S31603。法兰、螺栓、螺帽、弹簧垫、平垫等:S30408。所有螺栓均配套弹簧垫及平垫且由投标方供货。3.7 清洁度要求:设备内部、管路及配套的阀门不允许有焊渣、污垢、油污等存在,设备内部、管路及配套的阀门清洗按以下要求进行处理:1)脱脂清洗按照HG20202《脱脂工程施工及验收规范》执行。2)使用中性洗涤剂擦拭脱脂完成后,再使用干净水冲洗干净。3)清洁度验收时,用纱布蘸取中性试剂,擦拭材料表面,确认纱布上没有尘埃和油污为合格,如有发现灰尘和油污,返回第一步操作;4)所有配套配件均按此方法进行清洗(包括配套的风机内部)。
2026-03-21
灰库电加热器
灰库电加热器一、技术条件1 基本技术参数1.1本工程就地控制箱由供方提供。控制箱要求如下:   就地动力控制箱外壳采用2.5mm厚度的不锈钢板,防护等级室内不低于IP54,室外IP65(双层门)。箱内电气元器件选用西门子、ABB、施耐德公司产品,就地动力控制箱由卖方供货。动力控制箱内空气断路器、接触器、控制开关等电气一次元件按负载额定容量大于1.25倍选择,动力控制箱采用下进/出线方式,并有明显的接地点,柜门与柜体之间有软铜线连接。所有控制回路要接到端子板上,并要提供至少15%的备用接线端子。所用接线端子排要求采用菲尼克斯或威德米勒端子。每个端子只应连接一根外部导线;而卖方内部线路与端子排的连线也每个端子为一根接线,二次线要求采用优质多股软铜导线并使用管状预绝缘接线端头接线。线、缆标识要求清晰、明了,并且为机打,不得手写。控制线的最小截面为2.5mm2。控制跳闸的接线端子之间及与其它端子间均应留有一个空端子,以免因短接而引起误跳闸。CT回路端子采用带短接片的专用电流接线端子。就地动力控制箱应设“就地/远方”选择开关和就地启、停按钮和指示灯,以实现供电设备的就地或远方控制。当动力控制箱控制的单台电动机容量大于等于30kW时,应配置电压电流互感器、电压电流变送器及数字式电压电流表。电流和电压变送器额定输出应是4-20mA,除了在就地控制箱上显示外,还将电流、电压信号留有远方接口,表计和变送器的准确度应不低于0.2级。就地动力控制箱应配备程控系统的控制和信号接口。控制指令采用双指令控制(合闸指令、分闸指令),均采用常开干接点;状态反馈采用双信号(合闸反馈、分闸反馈),其他必要的报警、状态反馈(如电源信号、故障信号、远方/就地操作信号)等,满足买方的控制要求(具体要求设计联络会上确定)。卖方提供给买方使用的断路器(包括接触器、继电器等)的辅助接点,容量不低于AC220V、5A和DC220V、3A。控制箱的结构,电器安装,电路的布置必须安全可靠,操作方便,维修容易。控制箱内的裸露带电导体之间和带电导体对地的电气间隙不小于20mm,主回路工频耐压2500V不少于1分钟。就地动力控制箱配置与设备名称相符的不锈钢铭牌其安装在控制箱及端子箱等设备表面显而易见的位置。按钮和指示灯颜色的布置面对控制箱应为:左绿右红,上绿下红,绿色代表停止,红色代表运行,指示灯应采用长寿命的发光二极管,在按钮、指示灯处均有永久性的标志牌,标明功能。1.2指示灯与信号   指示灯颜色的应用(本要求同样适用于卖方提供的其它箱,柜,MCC等):     绿色:表示电源断开、设备停运、阀门全关     红色:表示电源闭合、设备运行、阀门全开     绿灯加红灯:阀门中间过程     白色: 控制回路电源监视灯     黄色: 不正常状态2. 电加热器技术规范   灰库配备一台电加热器,电加热器出口热空气温度应达到150℃,电加热器之后的空气管道应考虑保温设计。电加热器应布置在灰库底部。2.1整机使用寿命不少于10年易损件使用寿命必须符合相关标准规定,有超过者,可在投标书中列出。2.2电加热器的设计、制造和试验应符合有关最新的国标、部标及行业标准。电加热器应能长期正常运行,设计参数符合本技术规范要求。买方不接受带有试制性质的部件。2.3电加热器腔体焊接合格,密封良好不允许有漏风。2.4加热元件由发热部分及不发热部分组成。加热器接线盒与腔体之间设置隔热去,防止介质温度传递到接线盒,避免线缆在高温情况引起的老化及损坏。2.5仪表   设备本体上仪表需厂家自带。并在投标阶段提供详细控制系统图,以便需方进行审核。【江苏扬天电热设备有限公司】——信息化 数字化 智能化——義飛扬天——防爆电加热器专业制造商——为新时代中国制造加油助力——全国尊贵热线:400-777-5525 3.执行标准   电加热器及其附属设备的设计和制造,应符合现行的有关国家标准和原部颁标准。这些标准和规范至少包括:3.1材料标准:择优选用国标、部标、行业标准。对国外引进的材料,参照国标标准或引进国外标准。3.2噪声标准:参照GB/T2888-91 电加热器和罗茨鼓电加热器噪声测试方法3.3性能保证值3.3.1整机的设计使用寿命不少于10年。3.3.2机组质量保证期为交货后12个月 .4.安装调试要求4.1设备安装、调试期间,供方应负责用户的技术咨询,负责免费开车调试,直到设备正常运行。4.2供方在现场对操作人员进行技术培训。4.3设备在使用过程中,如发现问题需要供方配合解决时,供方在接到通知后24小时内派有关人员到现场协助用户解决问题。
2026-03-19
加热炉
加热炉1.设备基本要求  设备名称:加热炉;  数量:1 套。2.设备用途  加热炉为配合热成形压机实现薄壁钛合金喷管瓜瓣热成形。2.1 该设备为专用的钛合金热成形加热炉,主要用于厚度为 1mm~5mm 的薄壁钛合金喷管瓜瓣热成形。2.2 机床工作区由一个大的加热室组成,采用隔热板/结构钢热屏蔽板进行全封闭。加热室由四个隔热门(墙)与上、下工作台构成加热炉炉体。四个隔热门(墙)可向内/向外平移运动,确保平台运动和对工作区进行热隔离、密封。前后门可垂直上下提升/下降,以提供进出炉腔的通道,保证零件和模具的装卸全程无障碍。系统加压时,前后门、侧门向内自动可靠压紧,系统卸压时,前、后、侧门自动向外松开,并可手动操作。升起前后隔热门后, 可从压机的前面和后面来装卸模具和工件。2.3 两侧保温墙和前后门都采用优良的内衬板,热屏蔽盖板外表面采用不锈钢盖板。炉门保温棉内有保护层,材质为耐高温板材,防止保温棉脱落。在加热工作状态下机床外表面任何能接触到的地方温度不得超过 50℃。加热平台为金属材料,在 1000℃的工作环境下可长期使用,能抗高温、抗热辐射,具有良好的热传导性及抗压强度。 3.炉体技术要求3.1 加热平台为金属材料,在 1000℃的工作环境下可长期使用,能抗高温、抗热辐射,具有良好的热传导性及抗压强度。3.2 平台最大升温速度不小于 150℃/h,升温速度 0℃~150℃/h 编程可调,升温过程平台各区的温差≤50℃。3.3 加热系统由插入金属平台的多段式加热器(元件)组成,更换加热器方便、快捷。加热管在加热平台表面的下方布置贯穿平台,形成多个加热温区,每个平台模块可安装多根加热管。加热管可进行快速拆卸和更换(详细阐述更换方式,更换时间短优先考虑)。加热管寿命大于 6000 小时 ( 累计加热时间 ) ,或甲方正常使用 2 年以上。3.4 加热管连接到上、下工作台加热区外部的配线端子区域,采用封闭设计,并装有吹风装置,对配线端子处进行通风散热,并持续监视接线盒内的温度,以确保加热线路安全。3.5 每一个平台加热区都采用计算机控制和监控。如果温度达到设定的极限值,能驱使隔离开关切断,隔离此区域。每一个加热区都有单独的 K 型热电偶进行反馈控制,并预留备份,便于通过在端子上更换接线及时恢复设备正常控制。当加热管损坏时,监控系统发出警报,指示应当更换加热元件,并且能够识别具体某根加热管损坏的位置,便于更换加热管及热电偶。3.6 加热系统分区加热,上工作台、下工作台均布加热区,加热区均布且不少于12 个。每个加热区均有两根 1 级 K 型热电偶,分辨率≤±1℃。一根监控平台均温性,一根控制单区和隔壁区的加热温度,各区测温点均匀分布在上下工作台,通过调节器和功率调整单元控制,每个加热区域的温度设定值可调,双重温度监控来保证整个金属加热平台均温良好,要求在 650℃~850℃时为±5℃以内。提供包括预验收和终验收所需测温用热电偶。3.7 配备 12 个模具热电偶接口,半数位于上模,半数位于下模,接口位于压机两侧,通过上、下工作台的转接盒连接于控制柜。3.8 加热炉前后保温门上下滑动以便梭车进/出设备、装卸零件和模具。3.9 加热系统为分区加热,通过系统设定调整每个加热区的加热温度。每个加热区热电偶配有独立超温开关保护加热器和金属平台,当温度超过设定值时,控制系统会立即切断电源来保护金属平台和加热管并同时报警通知操作员。所有热电偶都是独立的,单独通过插头连接于控制柜。3.10 每个温区的控制热电偶和超温热电偶均采用冗余措施,确保工作中发现损坏热电偶时可及时更换到备用电偶上。3.11 加热管正常工作寿命≥6000h。3.12 热辐射标记应清楚地标识在机床上明显位置,并且有指明机床和加热运行状态的警示灯。【江苏扬天电热设备有限公司】——信息化 数字化 智能化——義飛扬天——防爆电加热器专业制造商——为新时代中国制造加油助力——全国尊贵热线:400-777-5525 4. 电气系统4.1 电气控制系统包括一个工业控制计算机/PLC 控制系统)+现场总线的方式,彩色中文界面。操作人员从控制系统的操作台上可控制所有的机床参数(加热平台每个区域的温度、液压、气压、上下工作台位置、时间等),数据以表格和图形曲线两种方式输出。如果采用工业控制计算机系统对设备进行控温,用于控温和模具温度采集的模块的仪表(包括 PID 调节器)准确度等级应不低于 0.2 级。PLC 控制所有机床功能,安全和互锁。人机交互装置应安装在方便操作和观察的位置及高度。4.2 控制系统采用大于 19 英寸的彩色触摸屏幕并配有键盘 (用来修改工艺参数 ),一个不间断电源系统 (UPS ) ,配备中文界面、简洁明了的编程界面,及实时显示所有的平台温度,液压,平台位置,保压时间。可储存≥1000 份成形工艺文件和≥1000 次生产过程记录(包括设备故障记录)。所有维修信息及零部件信息在硬盘中有备份,并可以随时查看。4.3 设备配备控制盒,便于操作员对设备进行操作。4.4 控制系统可编程,可实现存盘、读取、编辑等功能。系统访问储存的参数可通过操作者触摸屏输入新的加工过程参数,也可对已有的参数进行更改;需通过密码登陆。乙方提供整个系统软件备份。4.5 设备可通过预先设置的程序自动完成升温和降温整个循环过程,全过程进行中不需要操作人员介入对应每个成形过程,都可输出下列的参数跟随时间的变化:各平台区的温度、模具上的温度、闭合压力、平台位置、各成形 3 段的时间、工艺参数。系统还包括彩色生成报告。4.6 电气原理图和接线图和实际相对应,设计合理,标识和线号清楚准确,便于维修和维护。4.7 安装在电气系统中的隔离开关可以将整台机器与电网隔离开来,线缆从电气柜底部进入,工业控制计算机和 PLC 系统配置一个不间断电源系统(UPS)。4.8 系统可以提供不少于 12 根 K 型热电偶(压机两侧,每侧 6 根), 用来记录成型模具及工件温度,这些温度将显示并可以保存在计算机控制系统里。热电偶插座位于热屏蔽侧板外,临近工作区。4.9 加热控制逻辑,可以提供操作员选择合适的加热速率,加热速率编程可调:0℃~150℃/小时。4.10 系统具有故障自诊断报警和自动保护设备功能。在异常情况出现后,可紧急停止设备运行,并显示出故障信息和故障部位。报警模式有呜铃及闪灯,警告操作员超出限值的情况,控制台上有重新复位的按钮取消报警。4.11 设备可在自动和手动模式下操作。4.12 提供控制软件包,列出功能清单。4.13 操作台配备空调降温系统。4.14 系统中具备工作小时记录功能。4.15 具备 USB 驱动器和 DNC、网络连接功能。设备硬件接口应该具备可供工控网系统使用的 RJ45 接口,满足 TCP/IP 网络协议。设备支持提供可供工控网系统调用的 OPC 等通用接口,并开放接口,提供接口通讯协议、调用地址、字段说明和接口函数调用的说明文档,此外,工厂在进行设备联网和数据下发、采集工作时,设备实施方需无偿到现场配合。4.16 主电源部分包括主电源总开关,加热管电压降压器, 配电盘和带有过载(过电流)保护的电机控制硬件。 系统输入电源为三相 380 伏, 50 赫兹。备有输入功率滤波设置,用于监控输入电网电压的波动状态,如有电源电压超限,即时反馈给设备控制系统。4.17 控制电源部分包括带以太网口的(西门子、A/B 公司或相当品牌)可编程控制器, 电源供应, 放大器板卡和加热管的可控硅固态继电器。梯形图逻辑控制程序会随系统提供给甲方。4.18 电气控制柜有空调降温系统,并具有防尘密封功能,以保证设备的长时间运行。4.19 电气硬件部分增加输入/输出 IO 点各 5 个,用于同超塑功能模块的信息交换。4.20 软件部分在界面提供超塑功能选项,并提供后期外接超塑功能相关接口参数(包含超塑功能启动、停止、报警等功能)。4.21 加热炉外侧预留气路安装空间,加热平台材质选用含镍金属材质以满足超塑功能的使用温度,设备最高加热温度≥1000℃。6. 设计与制造标准要求6.1 设计和制造标准:设备设计制造应符合 ISO 国际标准,国际电气标准(IEO);设备所有零部件和各种仪表的计量单位应全部采用国际单位(SI)标准,设备的主要部件包括机械、电气及电子装置都有可靠的安全保护,电器系统达到电器保护标准 IP54 或更高要求。提供所选用外供件/机构清单,并给出其制造商、产地。6.2 该设备应有可靠的安全防护装置,符合 CE 安全认证。在有可能造成热辐射的地方应有警示标志,防止误操作或意外事故对工作人员身体造成损害或设备受损。  GB 5226—2016 《机械安全 机械电气设备》。  GB/T 10067.1—2005 《电热装置基本技术条件》。  GB 5959—2005 《电热装置的安全》。
2026-03-16
精脱硫电加热器
精脱硫电加热器根据双方合作需要,就精脱硫电加热器供货相关事项,经甲乙双方友好协商,甲方同意乙方承担上述所有设备、设施的供货(包括上述设备的设计、设备制造及附属设备材料、安全附件、电气、仪表的供货、运输、保险、提供竣工验收资料并配合竣工验收、资料交付、技术服务(含开车调试)、人员培训等一系列事项,相关条款规定及土建砼砌体工程除外)。除合同有关条款外,经双方授权代表与设计方进一步协商,对该项工程的技术方面确定如下协议:1. 特别声明1.1 本技术协议中乙方设计制造及配套提供的设备,必须满足甲方现场安装尺寸及工艺接口的要求,满足所提供设计说明书列出的工况及负荷调整范围的要求,满足生产工艺技术性能的要求,完全满足该套工艺装置需求。1.2 为了明确本系统以后投运中出现问题后的责任,乙方对甲方、设计方提供的本系统需达到的技术参数要进行全面地核对,对其中存在的问题或疑问要及时提出,以便甲方、设计方及时做出调整变更。如果乙方没有提出疑义,则视为对技术参数的认可,并保证本系统的稳定运行和操作弹性,将来本系统在运行中因上述原因而引发的相关问题,由乙方承担主要责任。1.3 本技术协议中所疏忽遗漏和错误的地方,无论是哪一方责任所造成,也无论在何时发现必须及时提出,由甲、乙、设计方共同协商解决,合同依据三方最终协议执行。1.4 本协议书仅提供基本的技术要求,并未对一切技术细节做出规定,也未充分引述有关标准及其详细条文,协议书内容、协议条款或设计审查并不免除乙方的技术责任,乙方的本系统供货应在保证本协议书的技术要求和技术接口等相关规定的前提下,保证符合有关标准规范的规定。对国家有关安全、环保等强制性标准,必须满足其要求。1.5 乙方在本系统设计、设备材料制造、供货所涉及的各项规程、规范和标准必须遵循现行最新版本的国家标准。乙方应提供所引用的标准号和标准名称。本技术协议所使用的标准如与乙方所执行的标准发生矛盾时,按较高标准执行。1.6 本系统的设计、设备供货中采用的专利(如果有的话)涉及到的全部责任和费用均被认为已包含在合同价款中。乙方保证甲方不再承担有关专利的一切责任和费用。1.7 乙方所承担的本系统供货应功能完整,技术先进,并能满足人身安全和劳动保护条件,满足安装、使用的可靠性,且设备的技术经济性能符合本协议书的要求。乙方有责任对协议书技术条款提出补充。若在运行中发现缺项或不能满足规定的技术要求时,由乙方负责免费填补齐全。1.8 本技术协议中乙方设计、制造、供货的设备必须完全满足于精脱硫电加热器功能的使用要求。1.9 甲方保留对其提供的技术资料进行补充和修改的权利,乙方承诺予以配合。1.10 对于本协议书有关内容,乙方如果有特别推荐的技术及降低成本方案,可作为优化方案进行说明。1.11 乙方提供该系统设备的本体(含电加热管)、连接箱、配套安全附件,为保证设备性能,本协议书未注明而又有必要的元器件,也应在供货范围内,乙方并提供相应的技术参数。1.12 该套系统内设备主要材料和各类部件必须为国内外一线知名品牌企业生产的产品,乙方必须提供设备所用材料合格证书、源产地标识,所选的材料供应厂家须经甲方认可。上述材料焊接用焊条、焊丝和焊剂也必须与主材的生产厂家产品相配套。其余材料的生产供货厂家名单,乙方须交甲方认可备案。1.13 乙方应严格按照图纸中或技术协议约定的材质要求进行相关设备制作,不得擅自进行材料代用。如确实需要代用,必须经过设计方书面认可。否则,由此引发的后果由乙方承担全部责任。1.14 乙方在本项工程各个环节中发生其它侵犯知识产权的行为,其侵权责任与甲方无关,应由乙方承担相应的责任。1.15 本系统内的设备在出厂时,应当附有安全技术规范要求的设计文件、产品质量合格证明、安装及使用维护说明、监督检验证明等文件,并为甲方提供压力容器竣工资料(包含检验合格证)。1.16 乙方需保证提供的电加热器设备在额定负荷下运行≥20000h。1.17 乙方提供电加热器设备的设计、供货、制作,指导安装、开车投运,并对上述设备完整性负全责。1.18 本系统所产生的专利权(如果有的话)由甲乙双方共享。2、概述2.1、项目总体简介本项目以焦化装置副产的焦炉煤气为原料生产LNG和液氨,以气定产,LNG的设计产能18万吨/年,液氨的设计产能为8万吨/年。年操作时间8000小时,操作弹性为80~120%。2.2、项目概况项目简称:山西闽光新能源科技有限公司焦炉气制LNG联产合成氨项目建设地点:山西省翼城县唐兴镇上石村3 设备技术参数3.1 工作原理与结构概述防爆电加热器采用合理形式及数量的折流板,采用计算机控制的全自动管板氩弧焊,使得加热元件的管壳和管板之间的焊接极其的牢固可靠。电加热管与套管的焊接处采用氨渗透检查。电加热器内部有3支温度变送器用于超温报警,测温元件选用罗斯蒙特,仪表接线箱选用上海华荣。防爆电加热器防爆等级为ExdIICT4,严格按照中华人民共和国颁布的防爆标准GB3836-2021规定的各项指标要求进行设计,由国家授权机构认证,并获得防爆合格证。电缆引入格兰头采用密封圈式,电缆布线。进线口数量及规格大小、接线口形式满足设计院要求,接线箱大小满足电缆接线及弯曲半径的要求,密封圈为耐老化氯丁橡胶,邵氏硬度 45-55。隔爆接线箱采用不锈钢材质,内部连接导体应采用铜排和耐高温导线。【江苏扬天电热设备有限公司】——信息化 数字化 智能化——義飝扬天——防爆电加热器专业制造商——为新时代中国制造加油助力——全国尊贵热线:400-777-5525 3.1.1 在电加热器主法兰和防爆接线仓之间设置一段散热区。3.1.2 在散热区间设置散热片。3.2 关键工序、关键部位质量保证措施及详细方案3.2.1 电热元件的原材料必须满足标准要求。3.2.2 电热元件的引出棒和电阻丝的连接采用柔性连接和氩弧焊接。3.2.3 电热元件必须100%进行电阻值、介电强度、绝缘电阻、热态泄漏电流检测。3.2.4 电加热器的管板焊接必须严格按工艺要求进行,并按试验压力进行水压试验。3.2.5 加热元件和套管的焊接必须严格按工艺要求进行,并按试验压力进行水压试验、介电强度、绝缘电阻的检验。3.2.6 接线仓按防爆要求进行生产和检验检测的。3.2.7 电加热器的成品按有关标准和图纸要求进行监测检验,包括外观、尺寸、功率、绝缘电阻、介电强度、水压试验等。3.2.8 电加热器最后的成品应进行洁净处理,用压缩空气吹干内部水渍。3.3 材料:3.3.1 加热元件管材:SUS310S;3.3.2 加热元件绝缘材料: 达泰豪高温氧化镁粉;3.3.3 加热元件引出棒:321;3.3.4 电阻丝材质:Cr20Ni80;3.3.5 加热元件封口材料:硅胶;3.3.6 壳体材质:S30408。
2026-03-12
163 条记录 2/14 页 上一页 下一页   1  2  3   4   5  下5页 最后一页
电话
18936231333
二维码

扫码关注